Заглушки фланцевые АТК 24.200.02-90
Заглушки фланцевые АТК 24.200.02-90 | Челябинская Арматура
- В наличии на складе в Челябинске
- Срок поставки: от 2-х рабочих дней
- Сертификаты и паспорта к каждой поставке
- 100% гарантия возврата средств в случае брака
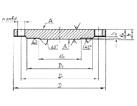
Размеры на стальные заглушки АТК 24 200.02-90
| Технические характеристики | |
|---|---|
| Диаметр Ду (мм) | 10-1200 |
| Тип присоединения | Фланцевый |
| Номинальное давление | 6-63 кгс/см2 |
| Марка стали | Сталь 20, 09г2с, 12х18н10т |
| Масса, кг | от 0,5 |
| Температурный диапазон | от -70⁰C до +600⁰C |
| Производство | Россия |
Производство заглушек АТК 24.200.02-90 в Красноярске
Конструкция элемента представляет собой сплошной плоский диск с отверстиями по периметру окружности. С их помощью арматуру соединяют с трубами фланцевым методом. Отсутствие сквозного отверстия позволяет блокировать поток перемещаемых веществ, перекрывать движение продуктов на время ремонта трубопровода, создавать герметичное соединение трубных участков.
Заглушки фланцевые АТК 24.200.02-90 производят из конструкционной стали марок:
- ст.20 ‒ углеродистая обыкновенного качества;
- 09г2с ‒ морозостойкий сплав с добавлением легирующих компонентов;
- 12х18н10т ‒ нержавеющий материал, устойчивый к коррозии.
Купить заглушки АТК 24.200.02-90 и заказать доставку можно через онлайн-форму на сайте. Чтобы уточнить цену и способы оплаты, свяжитесь с отделом продаж по телефону или e-mail. Отгрузка по России и Казахстану от двух рабочих дней.
Характеристика
Диапазон рабочих температур составляет от -70⁰C до +600⁰C. Максимальное давление ‒ 160 кгс/см². Промышленные сферы применения: химическая, газовая, нефтяная.
Изделия представлены в следующих исполнениях:
- с соединительным и обычным выступом;
- с шипом;
- под прокладку овального сечения;
- с впадиной.
Готовая продукция проходит испытания на прочность под напором жидкости. Перед отправкой товар проверяют на предмет наличия повреждений и соответствие заявленным параметрам. Комплект сопроводительных документов включает сертификат качества, технический паспорт.
Чертеж

Адрес
График работы
Инструкция по